Estudo de Transitórios Eletromagnéticos usando ATP e PS Simul — Teoria e Prática
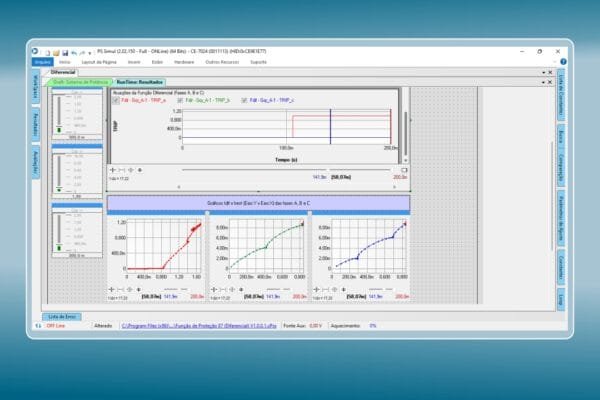
Os transitórios eletromagnéticos estão entre os fenômenos mais desafiadores e críticos dos sistemas elétricos de potência. Eles podem causar falhas, desligamentos, esforços mecânicos e sobrestresses nos equipamentos — e compreender seu comportamento é fundamental para operação, manutenção, proteção e engenharia…


























